当前位置:
>>>>>>
尊龙凯时手机版的产品中心
全国服务热线
热门文章
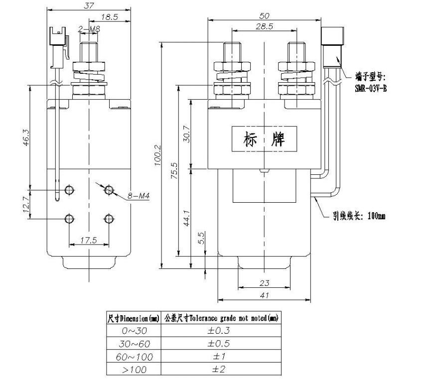
zjw200abm 型直流接触器
产品主要使用于电瓶车、电动叉车、电动绞盘、电动汽车、挖掘机、汽车空调、通讯电源等直流电源系统的电源通断控制。
全国热线
产品主要使用与电瓶车、电动叉车、电动绞盘、电动汽车、挖掘机、汽车空调、通讯电源等直流电源系统的电源通断控制。
·订货规范
例: zjw200abm/48v
主触点一常闭,额定电压不大于 dc60v,电流200a,线圈电压规格为 dc48v 的双线圈直流接触器。




热品推荐 / hot product
-
产品主要使用与电瓶车、电动叉车、电动绞盘、电动汽车、挖掘机、汽车空调、通讯电源等直流电源系统的电源通断控制。 ·订货规范 例: zjw200abm/48v 主触点一常闭,额定电压不大于 dc60v,电流 200a,线圈电压规格为 dc48v 的双线圈直流接触器。…
-
产品主要使用与电瓶车、电动叉车、电动绞盘、电动汽车、挖掘机、汽车空调、通讯电源等直流电源系统的电源通断控制。 ·订货规范 例: zjw200cm/48v 主触点一常闭,额定电压不大于 dc60v,电流200a,线圈电压规格为 dc48v 的单线圈直流接触器。…
-
产品主要使用与电瓶车、电动叉车、电动绞盘、电动汽车、挖掘机、汽车空调、通讯电源等直流电源系统的电源通断控制。 ·订货规范 例: zjw400abm/48v 主触点一常闭,额定电压不大于 dc60v,电流400a,线圈电压规格为 dc48v 的双线圈直流接触器。…
-
产品主要使用与电瓶车、电动叉车、电动绞盘、电动汽车、挖掘机、汽车空调、通讯电源等直流电源系统的电源通断控制。 ·订货规范 例: zjw400cm/48v 主触点一常闭,额定电压不大于 dc60v,电流400a,线圈电压规格为 dc48v 的单线圈直流接触器。…


